| Izbornik |
AQUAPOND - pristupačne cijene, značajni popusti na kupnje preko 300 €. Samo dodajte robu u košaricu i iznos popusta bit će izračunat na temelju iznosa kupnje. Što je veća kupnja, to je popust veći.

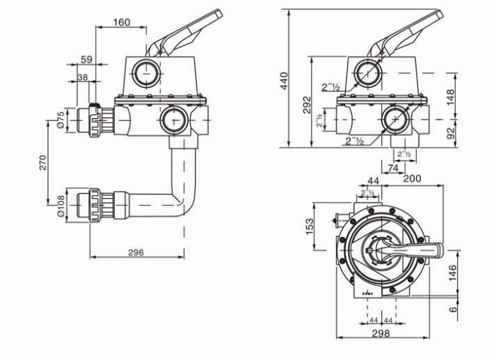
Šesteroputni regulacijski ventili koriste se za prebacivanje 6 hidrauličkih operacija procesa filtracije: filtriranje, ispiranje, ispiranje taloženjem, recirkulacija, pražnjenje i zatvoreno. Tijelo ventila, poklopac i upravljačka poluga BYBY stoga trebaju biti izrađeni od ABS plastike, razvodnik od PPO, brtva od neoprena, a metalni dijelovi od nehrđajućeg čelika.
Izlazi glave filtera su 2 1/2" (pumpa, mlaznica, odvod).

Kompletan popis rezervnih dijelova možete pronaći ovdje: Rezervni dijelovi za Magnum šesteroputni ventil sa 2 1/2" priključkom na CANTABRIC filter | |